
產品簡介:直徑1000型塑料振動篩是直徑1000mm,一層兩個出料口,直徑1000型塑料振動篩除了1000mm 外,還有其它常規型號比如:直徑 400mm,直徑600mm,直徑800mm,直徑1200mm,直徑1500mm,直徑1800mm與物料接觸部分采用的是PP塑料材質
篩網規格:2-500目產量:100-3300kg/h
咨詢報價銷售熱線:0373-268 2333

直徑1000型塑料振動篩是直徑1000mm,一層兩個出料口,直徑1000型塑料振動篩除了1000mm 外,還有其它常規型號比如:直徑400mm,直徑600mm,直徑800mm,直徑1200mm,直徑1500mm,直徑1800mm與物料接觸部分采用的是PP塑料材質,是目前有效解決具有氧化、腐蝕鋼鐵材質的物料篩分、除雜、過濾的方案,并且確保了物料在篩分過程中不會變質。塑料防腐振動篩是目前有氧化、腐蝕鋼鐵材質特性物料篩分、除雜、過濾有效的解決方案。

直徑1000型塑料振動篩通常具有耐腐蝕性強、結構輕便、操作簡便、易清潔等特點。適用于化工、食品、醫藥等行業對物料的篩分。塑料振動篩網耐磨、耐腐蝕,保證高效篩分。振動力由塑料振動電機提供,能有效分離不同粒度的物料。整體設計緊湊,防塵性能好,確保生產環境清潔。直徑1000型塑料振動篩廣泛應用于處理易腐蝕物料的篩分工作。

直徑1000型塑料振動篩主要用于對物料進行精細篩分,通過振動篩網將原料分成不同粒度的顆粒或粉末。這種篩分過程有助于提高產品質量,確保產品符合規格要求,并去除雜質,保證生產線上的物料符合生產工藝的要求。


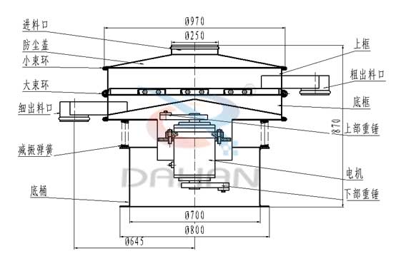
直徑1000型塑料振動篩通常由振動電機、篩箱、篩網、減振裝置等組成。振動電機提供振動力,驅動篩箱進行振動。篩箱內放置篩網,根據需要選擇不同規格的篩網。減振裝置用于減少振動傳遞到周圍環境,提高操作穩定性。整體結構設計緊湊,塑料材質耐腐蝕,適用于處理易腐蝕物料。這種結構設計使得直徑1000型塑料振動篩具有高效、可靠的篩分性能。
| 型號 | 篩分(mm) | 功率(kw) | 篩網規格 | 電壓(v) | 層數 |
| SLS-400 | 350 | 0.18 | 2-500目 | 380 | 1-5層 |
| SLS-600 | 550 | 0.25 | |||
| SLS-800 | 750 | 0.55 | |||
| SLS-1000 | 920 | 0.75 | |||
| SLS-1200 | 1120 | 1.1 | |||
| SLS-1500 | 1420 | 1.5 | |||
| SLS-1800 | 1720 | 2.2 |